LIEAP Payment Process
This business process flow shows the high level LIEAP payment process steps.
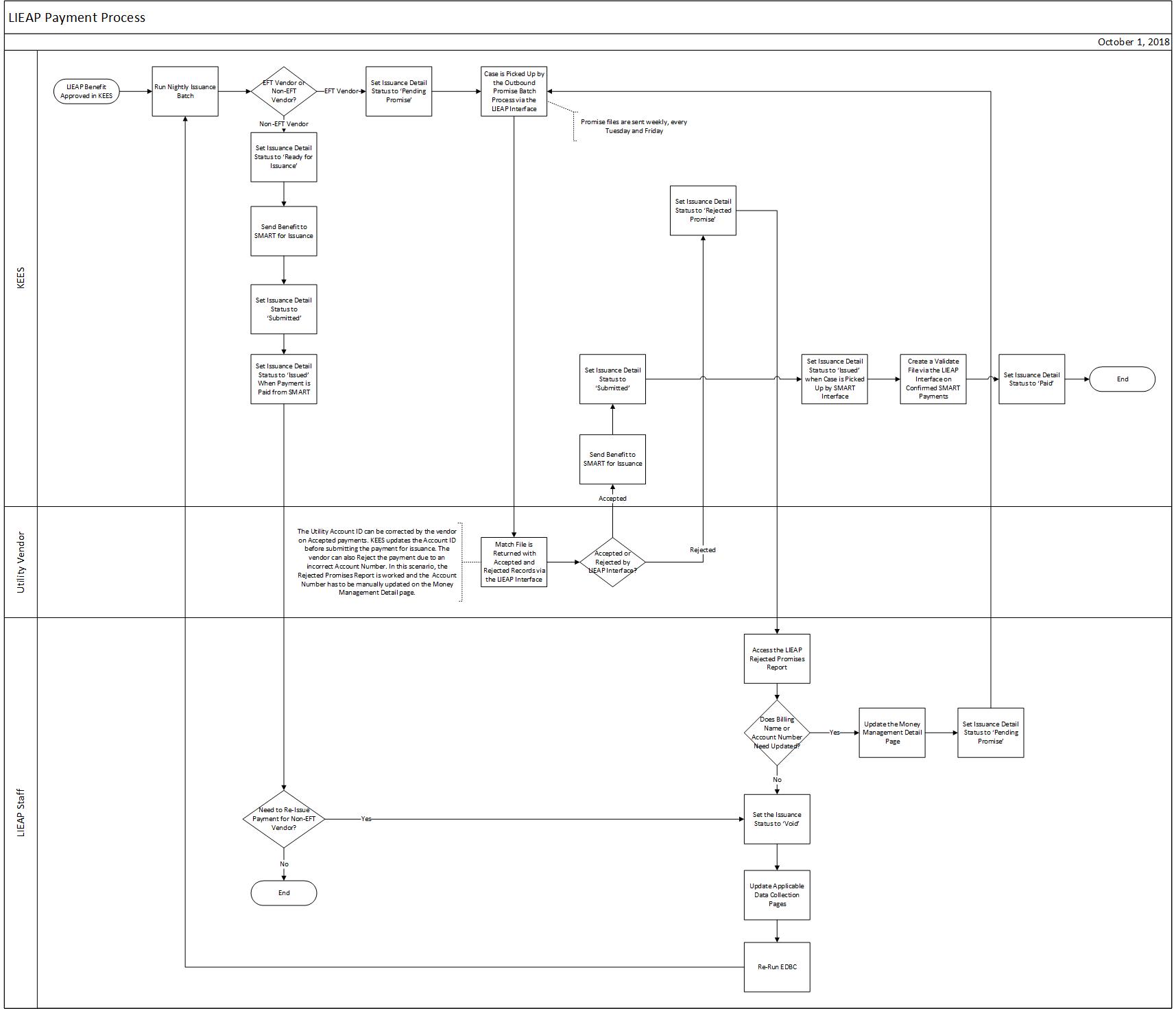
Business Process Diagram

Business Process Steps
The LIEAP payment process begins when a LIEAP benefit is approved by running and accepting EDBC.
KEES:
KEES runs the Nightly Issuance Batch.
For Non-EFT Vendors, the status on the Issuance Detail page is set to Ready for Issuance. The status is updated to Submitted when the case is picked up by the SMART interface for benefit issuance. When the benefit is paid from SMART, the status on the Issuance Detail page is set to Issued.
For EFT Vendors, the status on the Issuance Detail page is set to Pending Promise and the case is picked up by the Outbound Promise Batch Process via the LIEAP interface. Promise files are sent to the vendors weekly, every Tuesday and Friday.
A match file is returned from the EFT vendors via the LIEAP interface with accepted and rejected records.
- When records are accepted, the status on the Issuance Detail page is set to Ready for Issuance. Next, the benefit is sent to SMART for issuance and the status on the Issuance Detail page is set to Submitted. The status is updated to Issued when case is picked up by the SMART interface for benefit issuance. KEES creates a Validate file via the LIEAP interface for EFT vendors that confirmed paid in SMART, which updates the status on the Issuance Detail page from Issued to Paid. Vendors can use this information to cross match their payment record.
NOTE: The Utility Account ID can be corrected by the vendor on Accepted payments. KEES updates the Utility Account ID before submitting the payment for issuance. The vendor can also Reject the payment due to an incorrect Utility Account ID. In this scenario, the Rejected Promises Report is worked and the Account Number is manually updated on the Money Management Detail page.
- When records are rejected by the LIEAP interface, the status on the Issuance Detail page is set to Rejected Promise and falls to the Rejected Promises Report to be worked by staff.
LIEAP Staff:
LIEAP site managers are responsible for running and assigning/working the Rejected Promises Report. This report is scheduled to run every day and will only report on data that is new since the report was last generated. The rejection reason on the report is used to determine what needs to be updated on the case.
LIEAP eligibility staff can update data collection pages for rejected promises or returned payments. However, due to security restrictions only a LIEAP site manager or lead can update the status on the Issuance Detail page. The status must be updated before re-running EDBC. After data collection has been updated, LIEAP eligibility will send the completed report to the supervisor. The Supervisor will go into each case to update the issuance status and re-run EDBC. See below for additional guidance.
Rejected Promise
- EFT Vendor Payments that are rejected must be reviewed and updates made including but not limited to the Status on the Issuance Detail page.
-
- Rejected Promise for Billing Name or Account Number:
-
- Edit the Money Management Detail page if the Billing Name or Account Number needs to be updated, and set the status on the Issuance Detail page to Pending Promise. This will queue the case to be picked up by the LIEAP interface.
- Rejected Promise for payment issued to an EFT vendor but should have been issued to a Non-EFT vendor:
-
- Update the status on the Issuance Detail page to Void, update all applicable data collection page, and re-run EDBC.
- Rejected Promise for Other Reasons:
-
- If other updates need to be made, set the status on the Issuance Detail page to Void, update all applicable data collection pages, and re-run EDBC. This will queue the case to be picked up by the Nightly Issuance batch.
Key Process Considerations
- Rejection reasons on the Rejected Promises Report include:
-
- ACTV: No active account for the consumer
- CLAS: Invalid account class – not residential
- DUPL: Duplicate LIEAP payment
- NOSV: Utility doesn’t serve customer
- FRAU: Fraud suspected
- IAMT: Invalid promise account <=$0 or blank
- INVL: Invalid account number
- LLNM: In the landlord’s name
- MIS: Miscellaneous
- MSSN: Multiple customers with SSN
- MULT: Multiple active account found
- NAME: Name doesn’t match
- OT: Other
- PMT: Payment Applied
- ACCT: Account number does not match with case name
- When working the Rejected Promises Report after LIEAP auto issuance, if the household is no longer with the vendor(s) and the payment is being voided, go into the Money Management Detail page and update the priority of the vendor(s) to 3. This will prevent the program from being picked up from the next auto issuance run in the future from that same vendor.